7. Ejemplos de simplificación de diagramas de bloques
En este apartado y a modo de ejemplo vamos a realizar la simplificación de dos tipos de modelos de diagramas de bloques. En primer lugar estudiaremos un caso en el que hay lazos pero no se producen cruces entre ellos, en el segundo caso veremos un tipo más complejo en el cual uno de los lazos se cruza con otro.
- Lazos sin cruces:
El diagrama de bloques en este caso será del tipo:
![]() |
| Imagen 22. Recurso propio. |
Se resuelven en primer lugar los lazos más internos, teniendo en cuenta las pautas estudiadas anteriormente:
![]() |
| Imagen 23. Recurso propio |
Con lo que se obtiene como función de transferencia total:
- Lazos que se cruzan:
El diagrama de bloques en este caso será:
![]() |
| Imagen 24. Recurso propio. |
En primer lugar se deshacen los cruces aplicando la transposición de bifurcaciones y nudos, y a continuación se continúa simplificando como en el caso anterior:
![]() |
| Imagen 25. Recurso propio. |
Con lo que se obtiene como función de transferencia total:
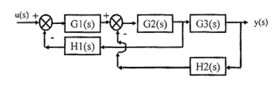
A partir del diagrama de bloques correspondiente a un sistema de regulación representado en la figura, determinar su función de transferencia global, simplificando su diagrama.
Obtener la función de transferencia del diagrama de bloques de la figura:



