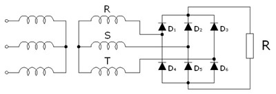
3.2 Rectificador trifásico de onda completa
![]() |
|
Imagen 22: Rectificador trifásico de onda completa. |
Podemos observar como ahora nuestro transformador tiene a la salida de cada bobina dos diodos, de manera que se rectificará la onda completa. Para aclarar más aún el funcionamiento vamos a representar las bobinas R, S y T desfasadas en el espacio 120º, pues constructivamente es como se encuentran. Imaginemos que la producción de corriente comienza en la bobina R-S (onda roja), siendo el semiperiodo positivo el que se produce a la salida de R. La corriente por tanto circulará hasta D1 que por ser positiva lo atravesará hasta la carga R y retornará por D5 hasta la bobina S. 180º después, se producirá el semiperiodo negativo, por lo que al haber cambiado el sentido de la corriente, el positivo estará a la salida de la bobina S, atravesará el diodo D2 en dirección a la carga, retornando por D4 hasta la bobina R.
![]() |
|
Imagen 23: Conexionado trifásico en estrella. |
Esta secuencia la repetimos para las bobinas S-T (onda verde), actuando D2 y D6 para el semiperiodo positivo y D3 y D5 para el semiperiodo negativo; y para las bobinas T-R (onda azul), en cuyo caso la secuencia será D3 y D4 para la semionda positiva y D1 y D6 para la semionda negativa.
Ya solo queda hacer un matiz, y es que el desfase entre el semiperiodo positivo y negativo es de 180º, mientras que el desfase entre arrollamientos es de 120º, por lo que antes de que el semiciclo de una de las bobinas haya finalizado se estará produciendo la siguiente onda en otro arrollamiento. Esto queda de manifiesto si en la representación senoidal de un transformador trifásico se solapan los semiciclos positivos y negativos.
![]() |
|
Imagen 24: Rectificador trifásico de onda completa.
Fuente: Elaboración propia. Pulsa sobre la imagen para ampliarla. |
Puede apreciarse como ahora el aporte de tensión es cada 1/6 del periodo, resultando una tensión aún más continua que en los casos anteriores. Si depuramos las partes de la onda que no afectan a la alimentación de la carga resultará una señal como la que muestra la imagen inferior:
![]() |
|
Imagen 25: Señal resctificada. |



